Vitre isolante double paroi plastique Joker Westfalia

Découvrez et/ou faites découvrir les options d'origine !

Modérateur : Modérateurs

Avatar du membre
clement85
Occasionnel
Occasionnel
Messages : 335
Enregistré le : jeudi 06 oct. - 20:26
Localisation : 85

Re: Vitre isolante double paroi plastique Joker Westfalia

Message par clement85 »

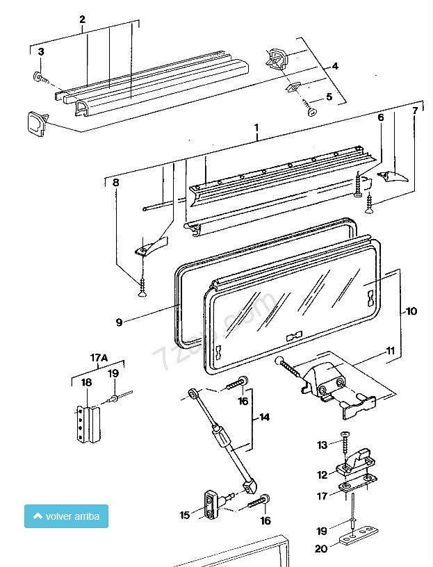
Ça ressemble à la pièce avec les 8 trous dans l'ensemble 1.

Image

Merci pour tes réponses précises c'est super appréciable ! Si tu as une ou plusieurs photos de ton montage ça pourrait être intéressant.

Pour ce qui est de l'ensemble 2 je ne l'ai pas non plus.
oliviergtz
Nouveau
Messages : 5
Enregistré le : mercredi 23 avr. - 16:44
Localisation : 31 - cugnaux

Re: Vitre isolante double paroi plastique Joker Westfalia

Message par oliviergtz »

clement85 a écrit : mercredi 26 sept. - 14:11 Salut, je remonte ce sujet car je suis en plein remontage de cette dite vitre projetante double vitrage plexi.
J'ai donc commandé le joint qui va bien. j'ai également toutes les autres pièces, celle vissée à l'intérieur, beige. Celle vissée à l'extérieur en alu, qui accueille la vitre et joue le role de charnière. Ainsi que les deux embouts arrondis en plastique noir qui ce placent aux coins haut de l'ouverture.

Pour l'instant je l'ai remonté sans la partie vissée à l'intérieur. Pour deux raisons : Je n'en voyais pas une grande utilité et cette pièce élargie la feuillure de l'ouverture ce qui complique voir empêche l'application du joint en U.

Voici des photos de mon installation actuelle sans la partie beige qui se visse à l'intérieur du t3.

Image

Image

Cela fonctionne plutôt bien sans, sauf à la fermeture l'épaisseur du joint en haut empêche la vitre de correctement de plaqué en bas une fois le verrin libéré. La faute au joint qui est neuf sans doute, car une fois verrouillé le joint est bien pincé.

D'où ma question. Le joint fait-il le tour complet de la fenêtre ou s'arrête-t-il dans les angles supérieurs ? Ca me semble bizarre mais je pose la question afin de lever le doute quitte à passer pour un idiot :chineese:
Salut,
je fais un petit up car j'ai moi aussi des soucis de remontage : j'ai remonté en utilisant la pièce alu à l'extérieur et la pièce beige à l'intérieur, l'assemblage semblait correct mais le problème c'est que la vitre est tombée après quelques instants en position déployée !
Sur le post il est fait mention de numéro de pièces mais les photos correspondantes ne sont plus visibles: un schéma ou des photos ça m'aiderait bien à voir ce qui n'est pas ok dans mon assemblage,
merci
Avatar du membre
marco
Membre Actif
Membre Actif
Messages : 4418
Enregistré le : samedi 25 nov. - 15:50
Localisation : 26 - Drome

Re: Vitre isolante double paroi plastique Joker Westfalia

Message par marco »

vitre abatante 1.jpg
vitre abatante 1.jpg (77.55 Kio) Vu 22177 fois
oliviergtz
Nouveau
Messages : 5
Enregistré le : mercredi 23 avr. - 16:44
Localisation : 31 - cugnaux

Re: Vitre isolante double paroi plastique Joker Westfalia

Message par oliviergtz »

Merci Marco :06:
Avatar du membre
clement85
Occasionnel
Occasionnel
Messages : 335
Enregistré le : jeudi 06 oct. - 20:26
Localisation : 85

Re: Vitre isolante double paroi plastique Joker Westfalia

Message par clement85 »

Salut, quelqu'un aurait une photo de la fenêtre montée vue de l'intérieur ?

J'ai choisi de ne pas mettre la pièce en photo car j'avais l'impression que le joint ne passerai pas à l'époque mais maintenant j'ai quelques gouttes qui passent par le haut de la fenêtre. Du coup je vais re démonter pour remonter avec la pièce. Une photo montage fini m'aiderai à mieux visualiser le truc. :smile:
clement85 a écrit : vendredi 28 sept. - 18:51 Image
Avatar du membre
la_sardine
Membre d'Honneur
Membre d'Honneur
Messages : 7893
Enregistré le : mercredi 10 oct. - 19:44
Localisation : 13 - Le Rove

Re: Vitre isolante double paroi plastique Joker Westfalia

Message par la_sardine »

On dirait que tu n'as pas remonte les coins en plastique... On ne les voit pas sur ta photo...
Avatar du membre
clement85
Occasionnel
Occasionnel
Messages : 335
Enregistré le : jeudi 06 oct. - 20:26
Localisation : 85

Re: Vitre isolante double paroi plastique Joker Westfalia

Message par clement85 »

Oui j'avais fait le choix de ne pas mettre les coins et la baguette beige... A tord du coup.
Avatar du membre
marco
Membre Actif
Membre Actif
Messages : 4418
Enregistré le : samedi 25 nov. - 15:50
Localisation : 26 - Drome

Re: Vitre isolante double paroi plastique Joker Westfalia

Message par marco »

Bonjour
Sur mon Syncro, j'ai monté une Vitre isolante double paroi plastique Joker Westfalia
Je n'ai pas monté cette pièce car je ne l'avais pas.
J'ai monté la pièce qui sert de charnière et qui est vissée avec du joint silicone.
Aucune fuite.

Marco
Avatar du membre
clement85
Occasionnel
Occasionnel
Messages : 335
Enregistré le : jeudi 06 oct. - 20:26
Localisation : 85

Re: Vitre isolante double paroi plastique Joker Westfalia

Message par clement85 »

marco a écrit : lundi 20 avr. - 11:37 Bonjour
Sur mon Syncro, j'ai monté une Vitre isolante double paroi plastique Joker Westfalia
Je n'ai pas monté cette pièce car je ne l'avais pas.
J'ai monté la pièce qui sert de charnière et qui est vissée avec du joint silicone.
Aucune fuite.

Marco
Salut Marco, tu as mis les coins en plastique ?
Avatar du membre
la_sardine
Membre d'Honneur
Membre d'Honneur
Messages : 7893
Enregistré le : mercredi 10 oct. - 19:44
Localisation : 13 - Le Rove

Re: Vitre isolante double paroi plastique Joker Westfalia

Message par la_sardine »

clement85 a écrit : lundi 20 avr. - 18:35
marco a écrit : lundi 20 avr. - 11:37 Bonjour
Sur mon Syncro, j'ai monté une Vitre isolante double paroi plastique Joker Westfalia
Je n'ai pas monté cette pièce car je ne l'avais pas.
J'ai monté la pièce qui sert de charnière et qui est vissée avec du joint silicone.
Aucune fuite.

Marco
Salut Marco, tu as mis les coins en plastique ?
Oui il les a mis :(;:
Avatar du membre
clement85
Occasionnel
Occasionnel
Messages : 335
Enregistré le : jeudi 06 oct. - 20:26
Localisation : 85

Re: Vitre isolante double paroi plastique Joker Westfalia

Message par clement85 »

Je cherche les miens, je suis certains de les avoir soigneusement mis de coté, mais 1 déménagement est passé par là entre temps :bouh:

A peine fini décrire le message, je vérifie le coffre du caddy (on sait jamais) eh bah bonne pioche ! :06:

J'ai tout, je remonte ça demain soir si il ne pleut pas. Je n'ai pas de mastic d'étanchéité "souple" par contre, que du mastic pour joint de carrosserie.
Avatar du membre
marco
Membre Actif
Membre Actif
Messages : 4418
Enregistré le : samedi 25 nov. - 15:50
Localisation : 26 - Drome

Re: Vitre isolante double paroi plastique Joker Westfalia

Message par marco »

la_sardine a écrit : lundi 20 avr. - 18:37
clement85 a écrit : lundi 20 avr. - 18:35
marco a écrit : lundi 20 avr. - 11:37 Bonjour
Sur mon Syncro, j'ai monté une Vitre isolante double paroi plastique Joker Westfalia
Je n'ai pas monté cette pièce car je ne l'avais pas.
J'ai monté la pièce qui sert de charnière et qui est vissée avec du joint silicone.
Aucune fuite.

Marco
Salut Marco, tu as mis les coins en plastique ?
Oui il les a mis :(;:
:(;:
Avatar du membre
clement85
Occasionnel
Occasionnel
Messages : 335
Enregistré le : jeudi 06 oct. - 20:26
Localisation : 85

Re: Vitre isolante double paroi plastique Joker Westfalia

Message par clement85 »

C'est bon c'est monté. Je ne sais pas pourquoi à l'époque je n'avais pas mis cette pièce car en forçant un peu le joint passe très bien... bref. Sans doute pour me laisser du travail pour plus tard ::)):

Du coup selon moi, cette baguette beige permet de placer le joint plus bas. Ce qui évite que la charnière vienne pincer le joint en se fermant.
Maintenant, la vitre appuie bien a plat tout autour du joint.

Je n'avais pas de mastic d’étanchéité démontable (style sika 710) donc j'ai monté à sec. J'en mettrais quand j'en aurai, d'ici là ça me permettra de voir si les gouttes d'eau passent toujours ou pas.


J'en profite pour mettre quelques photos du montage pour agrémenter la doc à ce sujet.

Pour libérer la fenêtre, j'ai dévissé ce vis. Le vérin reste en place, il y a moins de risques de l’abîmer je pense.
Image

Pour retirer la vitre, il faut l'ouvrir à fond afin de la décrocher de la charnière. Une fois ouverte il faut la chasser vers le bas, délicatement.
Image

Montage de la fameuse pièce beige (8 vis) et des coin arrondis en plastique (2 vis par coin) et remise en place du joint.
Image

Zoom sur un angle.
Image

Vue de l'intérieur
Image

Remontage de la vitre, position grande ouvert et attention à viser juste car il y a un petit arrêt qui permet de bien centrer la vitre sur la charnière.
Image

Remise en place du vérin et c'est fini.
Image
Avatar du membre
la_sardine
Membre d'Honneur
Membre d'Honneur
Messages : 7893
Enregistré le : mercredi 10 oct. - 19:44
Localisation : 13 - Le Rove

Re: Vitre isolante double paroi plastique Joker Westfalia

Message par la_sardine »

Sympa ce petit tutoriel, ça me servira... Mais quand... ::)): ::)): ::)):
Avatar du membre
marco
Membre Actif
Membre Actif
Messages : 4418
Enregistré le : samedi 25 nov. - 15:50
Localisation : 26 - Drome

Re: Vitre isolante double paroi plastique Joker Westfalia

Message par marco »

la_sardine a écrit : vendredi 24 avr. - 19:58 Sympa ce petit tutoriel, ça me servira... Mais quand... ::)): ::)): ::)):
Bonjour La sardine
En effet quand ??? ::)): ::)): ::)): ::)):

Marco
ophidite
Régulier
Régulier
Messages : 538
Enregistré le : lundi 05 oct. - 6:10
Localisation : 33 - Bordeaux

Re: Vitre isolante double paroi plastique Joker Westfalia

Message par ophidite »

Bonjour

Imaginons que je trouve ces fameuses vitres en Plexiglas est ce qu'elles ont vraiment un avantage notable sur celles d'origine ( condensation, chaleur .... )


Merci
T3 Syncro DG 1986 Multivan : viewtopic.php?f=18&t=84805
Avatar du membre
marco
Membre Actif
Membre Actif
Messages : 4418
Enregistré le : samedi 25 nov. - 15:50
Localisation : 26 - Drome

Re: Vitre isolante double paroi plastique Joker Westfalia

Message par marco »

ophidite a écrit : lundi 27 avr. - 15:40 Bonjour

Imaginons que je trouve ces fameuses vitres en Plexiglas est ce qu'elles ont vraiment un avantage notable sur celles d'origine ( condensation, chaleur .... )


Merci
Pour la condensation, ça se voit bien.

Marco
TYPEK
Occasionnel
Occasionnel
Messages : 230
Enregistré le : dimanche 06 mai - 21:57
Localisation : Belfort

Re: Vitre isolante double paroi plastique Joker Westfalia

Message par TYPEK »

J'ai trouvé une vitre isolée coulissante pour la porte laterale mais je n'ai pas le joint carrosserie. Est ce qu l un d entre vous à un joint à vendre ou qu'il sait où en acheter ou qui en un pour fair une photo du profil.
Merci de votre aide
Toftof
Nouveau
Messages : 45
Enregistré le : mercredi 16 août - 16:50
Localisation : Amiens

Re:

Message par Toftof »

JR a écrit : mercredi 23 janv. - 16:07
marco a écrit :Sur le coin coin à 400 E Yellow_Flash_Colorz_PDT_09
Image
Ah oui quand même Yellow_Flash_Colorz_PDT_09
Bonjour quelqu un sait où on peut trouver ce joint de vitre ?
Slts
Toftof
Nouveau
Messages : 45
Enregistré le : mercredi 16 août - 16:50
Localisation : Amiens

Re: Vitre isolante double paroi plastique Joker Westfalia

Message par Toftof »

bonjour
petite question avec vos vitres isolante vous ne rajouter pas les isolant plastique en plus ?


slts
Avatar du membre
marco
Membre Actif
Membre Actif
Messages : 4418
Enregistré le : samedi 25 nov. - 15:50
Localisation : 26 - Drome

Re: Vitre isolante double paroi plastique Joker Westfalia

Message par marco »

Toftof a écrit : jeudi 07 déc. - 9:25 bonjour
petite question avec vos vitres isolante vous ne rajouter pas les isolant plastique en plus ?


slts
Bonjour
Pas d'isolant supplémentaire.
Justes des rideaux pour l'intimité.
Marco
TYPEK
Occasionnel
Occasionnel
Messages : 230
Enregistré le : dimanche 06 mai - 21:57
Localisation : Belfort

Re: Vitre isolante double paroi plastique Joker Westfalia

Message par TYPEK »

Oui,juste des rideaux occultants suffisent. L'autre avantage, pas de condensation sur les vitres
Toftof
Nouveau
Messages : 45
Enregistré le : mercredi 16 août - 16:50
Localisation : Amiens

Re: Vitre isolante double paroi plastique Joker Westfalia

Message par Toftof »

merci de vos réponses déjà ça en moins a transporter lol
TYPEK
Occasionnel
Occasionnel
Messages : 230
Enregistré le : dimanche 06 mai - 21:57
Localisation : Belfort

Re: Vitre isolante double paroi plastique Joker Westfalia

Message par TYPEK »

IMG_20240602_201937 (1).jpg
IMG_20240602_201937 (1).jpg (352.22 Kio) Vu 14661 fois
Voilà j'ai trouvé le Graal,la vitre coulissante isolée pour la porte latérale et le Super Graal,la vitre coulissante isolée arrière droite . Après un démontage , nettoyage, changement des joints , elles sont comme neuves .
IMG20240602200115 (1).jpg
IMG20240602200115 (1).jpg (358.68 Kio) Vu 14661 fois
Avatar du membre
zygpapa
conseiller mecaELEK
conseiller mecaELEK
Messages : 8532
Enregistré le : vendredi 25 mai - 11:01
Localisation : Espagne/Portugal/Maroc/Landes, selon la température

Re: Vitre isolante double paroi plastique Joker Westfalia

Message par zygpapa »

On dirait que tu es heureux. Je me trompes ? Bonne route !
TYPEK
Occasionnel
Occasionnel
Messages : 230
Enregistré le : dimanche 06 mai - 21:57
Localisation : Belfort

Re: Vitre isolante double paroi plastique Joker Westfalia

Message par TYPEK »

Oui car j'ai cherché un bout de temps pour en trouver
Avatar du membre
zygpapa
conseiller mecaELEK
conseiller mecaELEK
Messages : 8532
Enregistré le : vendredi 25 mai - 11:01
Localisation : Espagne/Portugal/Maroc/Landes, selon la température

Re: Vitre isolante double paroi plastique Joker Westfalia

Message par zygpapa »

J'imagine sans peine !
Avatar du membre
L20B
Occasionnel
Occasionnel
Messages : 432
Enregistré le : samedi 25 nov. - 10:55
Localisation : 60 - ROUVILLE

Re: Vitre isolante double paroi plastique Joker Westfalia

Message par L20B »

Il y en a quelques unes sur le marché!

Je viens de tomber la dessus...
Screenshot_20240824-234544_Leboncoin.jpg
Screenshot_20240824-234544_Leboncoin.jpg (185.73 Kio) Vu 12447 fois
Montage à suivre!
Répondre