Mon syncro tire à gauche

ici tout ce qui est relatif aux trains roulants, suspension, roulements, freins

Modérateur : Modérateurs

Répondre
Avatar du membre
marco
Membre Actif
Membre Actif
Messages : 4418
Enregistré le : samedi 25 nov. - 15:50
Localisation : 26 - Drome

Mon syncro tire à gauche

Message par marco »

Bonjour
Mon syncro roule droit mais gros bruit quand il passe sur des bosses...
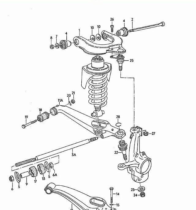
Le bras transversal (rep1) ainsi que les silent blocs (rep 4)sont HS coté droit.
Je change l'ensemble.
Depuis le syncro tire à gauche.
Dans quel sens faut-il tourner le réglage de la vis rep 2 ?
ou faut-il régler autre choses ?

Il me semble que les rondelle excentriques (rep 10) sont à l’extérieur du bras transversal ?

Merci
Marco
bras transversal.jpg
bras transversal.jpg (58.28 Kio) Vu 1181 fois
Avatar du membre
anatolltubronze
Membre d'Honneur
Membre d'Honneur
Messages : 7901
Enregistré le : lundi 16 avr. - 23:24
Localisation : 16 - St Gourson

Re: Mon syncro tire à gauche

Message par anatolltubronze »

salut Marco
pour suivre :06:
manu team
Membre Actif
Membre Actif
Messages : 3100
Enregistré le : dimanche 06 juil. - 12:14
Localisation : 17 - la rochelle

Re: Mon syncro tire à gauche

Message par manu team »

refait faire une geometrie sinon ton carrossage et ton para ne seront pas bon
Avatar du membre
marco
Membre Actif
Membre Actif
Messages : 4418
Enregistré le : samedi 25 nov. - 15:50
Localisation : 26 - Drome

Re: Mon syncro tire à gauche

Message par marco »

manu team a écrit : jeudi 08 déc. - 18:39 refait faire une geometrie sinon ton carrossage et ton para ne seront pas bon
Bonjour
Oui c'est ce que je vais faire.
J'ai vu que je dois déposer la tôle de protection avant (syncro) pour avoir accès au vis
Marco
Avatar du membre
KUB
Membre d'Honneur
Membre d'Honneur
Messages : 7624
Enregistré le : dimanche 27 janv. - 17:41
Localisation : 35 - Betton

Re: Mon syncro tire à gauche

Message par KUB »

Contrôle bien tes silentblocs et la tronche des ancrages !
Ça serait bête de faire une géo avec du matos HS ;)
Avatar du membre
shocker
Membre Actif
Membre Actif
Messages : 2005
Enregistré le : mercredi 04 nov. - 19:56
Localisation : 17 - La rochelle

Re: Mon syncro tire à gauche

Message par shocker »

Le réglage de base sur le 2w des rondelles excentriques est le suivant : les trous sur l'horizontale vers l'intérieur.
T3 de 1986 avec moteur 2100 wbx DJ, direction assistée
Avatar du membre
marco
Membre Actif
Membre Actif
Messages : 4418
Enregistré le : samedi 25 nov. - 15:50
Localisation : 26 - Drome

Re: Mon syncro tire à gauche

Message par marco »

Bonjour
Géométrie toujours pas faite.
1er rdv....annulé appareil en panne
2ème rdv, autre garage, n'as pas réussi avec son appareil.

Comme il tire vraiment légèrement à gauche, maintenant j'attends janvier, et j'irai chez Euro.... qui fait les camionnettes.
Marco
Avatar du membre
shocker
Membre Actif
Membre Actif
Messages : 2005
Enregistré le : mercredi 04 nov. - 19:56
Localisation : 17 - La rochelle

Re: Mon syncro tire à gauche

Message par shocker »

Rien de compliqué pourtant
T3 de 1986 avec moteur 2100 wbx DJ, direction assistée
Répondre